Przekaźnik zabezpieczenia różnicowego to urządzenie ochrony elektroenergetycznej oparte na zasadzie powściągu magnetycznego prądu przemiennego, stosowane głównie do wykrywania wewnętrznych zwarć w urządzeniach takich jak transformatory i generatory. Określa on błędy poprzez porównanie różnic prądów mierzonych przez przekładniki prądowe (CT) w dwóch punktach systemu.
Zabezpieczenie różnicowe działa zgodnie z prądowym prawem Kirchhoffa (KCL). Gdy transformator pracuje normalnie lub podczas zwarć zewnętrznych, można go traktować jako transformator idealny: prąd wpływający jest równy prądowi wypływającemu (po przeliczeniu). W takim przypadku przekaźnik różnicowy nie działa. Gdy wewnątrz transformatora wystąpi zwarcie, obie strony (lub trzy strony) dostarczają prąd zwarciowy do punktu usterki. Wynikowe prądy wtórne sumują się proporcjonalnie do prądu zwarciowego, a przekaźnik różnicowy zadziała.

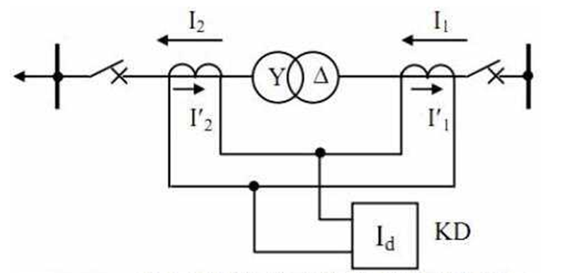
Gdy transformator pracuje normalnie, w oparciu o KCL, prąd wpływający do transformatora jest równy prądowi wypływającemu. Przy prawidłowo podłączonych przekładnikach CT z odpowiednią polaryzacją po obu stronach transformatora, prąd wtórny po stronie wysokiego napięcia i prąd wtórny po stronie niskiego napięcia są równe co do wartości, ale mają przeciwne kierunki. Ich suma wektorowa w przekaźniku wynosi zero, więc zabezpieczenie nie działa. W praktyce jedna strona (wysokie lub niskie napięcie) musi mieć odwróconą polaryzację podczas okablowania, ponieważ sam przekaźnik nie odwraca polaryzacji wewnętrznie.

Jak pokazano poniżej, podczas normalnej pracy prądy wtórne CT są równe i przeciwne, więc zabezpieczenie nie wyzwala. Przekaźnik działa tylko wtedy, gdy wystąpi usterka w strefie między przekładnikami CT.
Gdy wewnątrz tej strefy wystąpi usterka (taka jak zwarcie międzyfazowe lub międzyzwojowe), płynie prąd zwarciowy, naruszając równowagę prądów. Kierunek prądu pierwotnego zmienia się, a po odwróceniu polaryzacji CT suma wektorowa prądów wtórnych nie jest już zerowa, lecz sumaryczna. Gdy prąd różnicowy przekroczy zadany próg przekaźnika, przekaźnik wysyła sygnał wyłączenia, otwierając wyłączniki po obu stronach transformatora i izolując uszkodzony transformator od systemu elektroenergetycznego.
Zabezpieczenie różnicowe jest jednym z głównych zabezpieczeń transformatorów, a konkretnie schematem wzdłużnego zabezpieczenia różnicowego. Powody obejmują:
Wysoka czułość
Transformatory mają kluczowe znaczenie w systemach elektroenergetycznych. Wewnętrzne usterki, takie jak zwarcia międzyfazowe lub międzyzwojowe, mogą powodować poważne konsekwencje. Wzdłużne zabezpieczenie różnicowe wykrywa te usterki szybko, zazwyczaj wyzwalając w ciągu kilkudziesięciu milisekund, ograniczając w ten sposób skutki usterki i zapobiegając uszkodzeniom transformatora oraz podłączonych urządzeń. Zapewnia to stabilność i niezawodność systemu.
Wysoka selektywność i niezawodność
Zabezpieczenie różnicowe reaguje tylko na usterki wewnątrz swojej strefy ochronnej. W przypadku usterek zewnętrznych pozostaje nieaktywne. Korzystając z KCL, porównuje wartości i fazy prądu po obu stronach transformatora. Przy prawidłowym okablowaniu CT i właściwych ustawieniach przekaźnika pozwala uniknąć błędnych wyzwoleń podczas normalnej pracy, działając jednocześnie precyzyjnie podczas awarii. Jego selektywność izoluje usterki w bardzo małym obszarze, minimalizując przerwy w dostawie prądu i poprawiając ciągłość oraz jakość zasilania.
Szerokie zastosowanie
Zabezpieczenie różnicowe działa niezależnie od warunków pracy systemu. Czy to na biegu jałowym, przy pełnym obciążeniu, czy przy dowolnym obciążeniu, działa niezawodnie po wykryciu nienormalnych prądów w swojej strefie ochronnej. Wykrywa nie tylko zwarcia międzyfazowe, ale także zwarcia doziemne i inne usterki wewnętrzne.
Ze względu na te zalety, zabezpieczenie różnicowe jest uważane za podstawowe zabezpieczenie krytycznych urządzeń, odgrywając kluczową rolę w zapewnieniu bezpiecznej i stabilnej pracy systemu elektroenergetycznego.
Jako kluczowe urządzenia ochronne, prawidłowa konfiguracja i testowanie przekaźników różnicowych bezpośrednio wpływają na bezpieczeństwo i stabilność sieci. Poniższe sprawdzone w terenie wskazówki mogą pomóc uniknąć typowych pułapek:
Dopasowanie CT i polaryzacja
Istota ochrony różnicowej tkwi w dopasowaniu i kalibracji przekładników CT. Zawsze dokładnie sprawdzaj przekładnie i polaryzację CT. Jeden z rzeczywistych przypadków dotyczył częstych fałszywych wyzwoleń w podstacji z powodu odwróconej polaryzacji CT — wykrytej dopiero po dwóch dniach rozwiązywania problemów! Zawsze używaj testera przekaźników zabezpieczających, aby zweryfikować spójność polaryzacji CT przed oddaniem do eksploatacji.

Charakterystyka powściągu
Właściwe ustawienia charakterystyki powściągu są kluczowe. Zaleca się stosowanie wielonachyleniowej (odcinkami liniowej) krzywej powściągu zamiast prostej linii. Zazwyczaj pierwsze nachylenie ustawia się na 0,2–0,3, a drugie na 0,5–0,7, choć rzeczywiste warunki systemowe mogą wymagać korekt. Nie zapomnij ustawić minimalnego prądu powściągu, zwykle 10–20% prądu znamionowego, aby zapobiec błędnemu działaniu podczas zwarć zewnętrznych.
Rezystancja obwodu wtórnego
Wielu inżynierów pomija rezystancję obwodu wtórnego. Nadmierna rezystancja może powodować nasycenie CT, pogarszając skuteczność ochrony. Zawsze mierz rezystancję pętli dla każdej fazy za pomocą miernika rezystancji pętli i upewnij się, że wartości mieszczą się w granicach. Jeśli rezystancja jest wysoka, sprawdź połączenia zacisków i przekroje kabli.
Wpływ harmonicznych
W systemach z wieloma urządzeniami energoelektronicznymi harmoniczne mogą wpływać na zabezpieczenie różnicowe. Włącz funkcję blokady harmonicznych w przekaźniku: na przykład zablokuj działanie, jeśli trzecia harmoniczna przekroczy 20% prądu znamionowego. To skutecznie zapobiega fałszywym wyzwoleniom.
Regularna konserwacja
Rutynowa konserwacja jest niezbędna. Co kwartał przeprowadzaj test funkcjonalny przekaźnika różnicowego, symulując usterkę wewnętrzną w celu zweryfikowania charakterystyki wyzwalania. Rejestruj wszystkie dane testowe i prowadź analizę trendów, aby wcześnie wykrywać potencjalne problemy.
Dzięki prawidłowemu projektowaniu, konfiguracji i konserwacji, przekaźniki zabezpieczenia różnicowego zapewniają wysoce czułą, selektywną i niezawodną ochronę, gwarantując bezpieczną i stabilną pracę systemów elektroenergetycznych.